
液體容積式流量計
- 品*:JKM/凱銘儀表
- 型號:JKM-LC
- 測量范圍:0.04-1000m3/h
- 精度等級:0.5%
- 公稱通徑:DN10-DN200
- 適用介質:柴油 原油 工業油
- 工作壓力:1.6-6.4Mpa
- 工作溫度:-10-100℃
- 供電方式:24VDC
- 訂貨號:CWU185086AJH
液體容積式流量計概述
橢圓齒輪流量計是用于管道中液體流量連續或間斷測量和控制的容積式計量儀表。它具有量 程范圍大、準確度高、壓力損失小、粘度適應性強、能測量高溫高粘液體、標定方便、安裝建議等 諸多優點。適用于石油、化工、化纖、交通、商貿、食品、醫藥衛生等部門的流量計量。
LC 系列橢圓齒輪流量計裝有指針和字輪累積裝置,可現場直接顯示流經管道內的液體流量和 瞬時流量。在計數機構中附加發訊裝置與電顯儀表配套可實現累積、定量和瞬時流量遠傳集中控制。 加裝散熱器或橢輪欠齒可測量高溫、高粘液體。
不同的液體(酸、堿、鹽、有機溶液等)流量計主體可選擇不同的材質制造。

液體容積式流量計結構與工作原理
橢圓齒輪流量計由流量變送器和計數機構組成。變送器與計數機構之間加裝散熱器,則構成高 溫型流量計。送變器由裝有一對橢圓齒輪轉子的計量室和密封聯軸器組成,計數機構則包含減速機 構、調節機構、計數器、發訊器。

計量室內由一對橢圓齒輪與蓋板構成初月形空腔作為流量的計量單位。橢圓齒輪靠流量計進出 口壓力差推動而旋轉,從而不斷地將液體經初月形空腔計量后送到出口處,每轉流過的液體是初月 形空腔的四倍,由密封聯軸器將橢圓齒輪轉的總數以及旋轉的快慢傳遞給計數機構或發訊器,便可 知道通過管道中液體總量和瞬時流量。

1.各種計數器功能及代號

2.型號及主要零件材質

*如有特殊需要請另行注明
液體容積式流量計性能(誤差與壓力損失曲線)

解釋:1 圖中各種不同液體可用精度調節裝置將流量計誤差調整在 0 軸上下,使誤差達*佳值。
2 任何液體縮少流量量程比情況下,用精度調節裝置可提高流量計精度。
液體容積式流量計技術參數
4.1 鑄鐵型、鑄鋼型、不銹鋼型橢圓齒輪流量計

4.2 高粘型橢圓齒輪流量計

4.3 高精度橢圓齒輪流量計

LC-13 型橢圓齒輪流量計
LC-13 型橢圓齒輪流量變送器式由本體與發信器組成,可將管道內液體流量轉換為流量脈沖 信號或模擬量信號輸出,可與我廠顯示儀表,或與其它二次儀表和系統配套,用于遠距離計量顯示, 自動控制調節,記錄的需要。
5.1 技術性能
1) 適合與所有鑄鐵,鑄鋼,不銹鋼流量變送器配套.
2) 發信裝置:QF 型,GF 光電型
3) 允許工作電壓:DC12V
4) 管道連接法蘭:JB/T79~82-1994
5) 傳輸距離:1KM
6) 電性能精度:±1 個脈沖
7) 使用環境溫度:-10~+60℃

規格及發訊參數

發信器
GF-ⅠGF-Ⅱ型發信器是一種高精度脈沖傳感器,它 與 LC 系列橢圓齒輪流量計配套使用,可將被測介質的流 量轉換為電脈沖信號,供遠傳使用。
6.1 技術參數
1. 工作電壓:DC12/24V
2. 傳輸距離:1KM
3. 電性能精度:±1 個脈沖
4. 使用環境溫度:-10~+65℃
5. 防爆等級:ExdⅡBT4

6.2 GF 發信器接線圖

6.3 發信器與 LC 系列橢圓齒輪流量計配合脈沖當量

MF 系列 4-20mA
MF 流量變送器是采集流量計的流量信號轉換成 4-20mA、輸出給系統終端的一個轉換器。

LB07 共有 5 個參數即 P00-P04,說明如下:
P00:流量計的系數(脈沖當量),單位 0.00001-9.99999 升/ 脈沖
P01:流量計的*大流量(即量程)單位 m3/h,固定二位小數
P02:流量計的*小流量(用于計算回零時間)單位 m3/h,固 定二位小數
P03:4-20mA 調零,值越大,電流越大,反之亦然
P04:4-20mA 調滿,值越大,電流越大,反之亦然
調試方法
LB07 共有二個按鍵左鍵(M 鍵)和右鍵(S 鍵),儀表接線完畢后,屏幕會顯示 LB07 然后顯示 F 0.00,進入運行狀態。在運行狀態短按 M 鍵,屏幕切換到顯示累計量,單位升。再短按一次 M 鍵,屏幕顯示電流值。用戶可用測試設備進行核對。再按 M 鍵依次循環顯示以上三個值。
顯示累計量時按 S 鍵,累計清零。此功能用于調校是否丟脈沖。
參數修改
在運行狀態下,長按 S 鍵不松,屏幕會顯示 P00 接著顯示 P00 值,再短按 S 鍵,顯示 P01、P02 依次循環。如要修改某個變量,在顯示變量值后,短按一次 M 鍵,改變量值的*一位會閃爍顯示, 可用 S 鍵加,再移位、再加。當該變量設定好后,短按 M 鍵至所有位都不閃爍時,端按 S 鍵,顯示 下一個變量,依此修改。當所有的都修改完畢后,按住 S 鍵不松,直至屏幕顯示 SaUEd 閃爍返回運 行狀態,此時參數已保存。
接線說明
1:V+;
2:SO
3:I+
4:GND



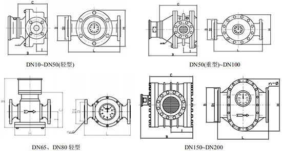
液體容積式流量計外形尺寸
8.1 鑄鐵型橢圓齒輪流量計外形尺寸
型號:LC-A、LC-NA


8.2 鑄鋼型外形尺寸
型號:LC-E、LC-NE、 (外形同上)

*DN10/DN50(輕型)/DN65/DN80(輕型)法蘭尺寸為 1.6MPa 標準;其余口徑為 6.4MPa 標準;
8.3 LC-B 型不銹鋼橢圓齒輪流量計外形尺寸(單位:mm)

*高溫型橢圓齒輪流量計外形尺寸:DN15~DN50(輕型),B 尺寸按上表數據加 100mm 熱延伸管;DN50 (重型)~DN200,B 尺寸按上表尺寸加160mm 熱延伸管,其余尺寸同上表相應尺寸。
液體容積式流量計的安裝使用
9.1 流量計前應安裝配套過濾器,且配套過濾器的出口緊接流量計的入口,兩者本體上箭頭指向 與液體流向一致。
9.2 當被測液體含有氣體時,流量計前應安裝消氣過濾器。
9.3 不論管路是垂直還是水平安裝,但流量計中的橢圓齒輪應安裝成水平位置(即表度盤應與地 面垂直)。
9.4 流量計在正確安裝情況下,如果不易看清讀數,可把計數器轉向 180 度或 90 度均可。
9.5 新流量計在安裝前先用竹棍從出口處把橢圓齒輪推幾次,如發現不動,可以用柴油浸泡(避免 出廠校驗后內存沉淀物)。
9.6 流量控制閥應安裝在流量計進口處,開閉閥門裝在出口處,使用開閉閥時緩慢啟動,不要突 然開啟以防“水擊”現象。
9.7 在新管道上安裝流量計前,管道需要沖洗,沖洗時采用直管段(替代流量計位置)防止焊渣, 雜物等進入流量計。
9.8 嚴禁用水校驗鑄鐵、鑄鋼材質的流量計。
9.9 流量計在使用時流量大小不得超過技術要求.流量計工作在*大流量 50-80%為優。
9.0 被測液體如果具有化學腐蝕性,須選用不銹鋼材質的流量計。
液體容積式流量計常見故障原因,排除方法

其他
1. 本儀表出廠前經柴油檢驗,請勿用水校,具體按**計量檢定規程《JJG667 2010 液體容積 式流量計》實施。
2. 配套過濾器是單獨產品,另計價。(本廠可以配套)
訂貨須知
1. 名稱,型號,規格,材質。
2. 介質溫度,工作壓力,流量范圍。
3. 介質粘度或名稱。
4. 有無特殊要求,如防爆。
5. 訂貨及收貨單位名稱。
6. 詳細通訊地址,電話傳真,郵編。
7. 結算單位,開戶銀行,帳號。
8. 到達站名,聯系人。
9. 您需詳細了解相關產品,請來信索取資料。
10. 本廠產品實行三包一年,使用期跟蹤維修。
型號標識

上一篇:高精度液體流量計|智能電磁式


