蒸汽智能流量計,蒸汽預付費流量計
點擊次數:2461 發布時間:2021-01-07 15:55:49
蒸汽智能流量計概述
渦街流量計是根據卡門渦街原理研究生產的,主要用于工業管道介質流體的流量測量,如氣體、液體、蒸汽等多種介質。其特點是壓力損失小,量程范圍大,精度高,在測量工況體積流量時幾乎不受流體密度、壓力、溫度、粘度等參數的影響。無可動機械零件,因此可靠性高,維護量小。儀表參數能長期穩定。渦街流量計采用壓電應力式傳感器,可靠性高,可在-20℃~+250℃的工作溫度范圍內工作。有模擬標準信號,也有數字脈沖信號輸出,容易與計算機等數字系統配套使用,是一種比較先進、理想的測量儀器。

蒸汽智能流量計參數
1、產品名稱:渦街流量計
2、適用介質:空氣,氧氣,氮氣,氫氣,壓縮氣體的流量計量
3、管徑(DN) :DN15~DN300mm至更大
4、公稱壓力:0.6~4MPa (指連接法蘭公稱壓力,非介質的工作壓力)
5、工況溫度:-20~+80℃(需更高溫度請與工廠聯系)
6、測量精度:±1.5%FS
7、量程范圍:1:3(±0.2%) ,1:10(±0.5%), 1:15(±1.5%)
8、殼體材質:碳鋼;不銹鋼;
9、供電方式:內置3.6VDC鋰電池(可用兩年);外供24VDC;
10、輸出信號:4~20mA二線制;脈沖0~1000HZ;RS485
11、防護等級:IP65;IP67
12、防爆標志:本安型ExiallCT4;隔爆型ExdllCT4
13、表頭顯示:累積流量;瞬時流量;滿量程百分比;工況壓力;工況溫度;故障自檢
14、連接方式:管道法蘭式(DN15-300mm);插入式(DN100- N6000mm至更大)。
15、安裝要求:可水平、垂直安裝;前后直管道應滿足前10D后5D(D公稱通徑)
16、特殊連接:螺紋式;對夾式;

蒸汽智能流量計產品型譜
蒸汽智能流量計安裝條件
1、工作條件
傳感器可在2下正常連續工作
2、環境條件
2.1環境溫度:-40~+55℃ (非防爆場所)
2.2環境濕度:≤85%(相對濕度)
2.3大氣壓力:86~106Kpa
3、安裝指南:
a)傳感器安裝在管道上的位置一定要選振動小的地方,振動加速度不能大于0.2g,如大于需要采取減震措施。
b)傳感器的上游側和下游側必須有足夠的直管段見示意圖。
c)對于卡裝連接儀表,法蘭焊后必須保證法蘭的端面與管道垂直,內表面光滑,見圖。
d)傳感器可水平、垂直或傾斜安裝在直管上,當垂直安裝測液體時,液體必須由下而上流動。
e)當在渦街流量傳感器同壓力傳感器和溫度傳感器組成測量系統時,其壓力、溫度測量點的位置如圖。
f)渦街流量傳感器安裝步驟可參考方法A或方法B(以法蘭卡裝型為例):
方法A:
Ⅰ選定安裝位置,并取前15DN,后5DN直管段割下。
Ⅱ在選表位置焊上兩片法蘭,并將傳感器裝好。
Ⅲ去掉原管多出的直管(即表體寬度)。
Ⅳ將傳感器的前后直管段焊到原工藝管道上。
方法B:
Ⅰ考慮前15DN,后5DN選定裝表位置。
Ⅱ取下表體寬度的一段管,焊上兩片法蘭連接孔同心,將傳感器螺栓緊固好。

蒸汽智能流量計的產品特點
1、安裝簡便,維護十分方便;
2、結構簡單牢固,無可動部件,長期運行十分可靠;
3、量程范圍寬,量程比可達1:15;
4、壓力損失小,運行費用低,更具節能意義;
5、應用范圍廣,液體、氣體、蒸汽均可測量;
6、檢定周期長,一般為兩年;
7、在一定雷諾數范圍內,輸出信號不受被測介質物理性質和組分變化的影響,儀表系數僅與旋渦發生體的形狀和尺寸有關,調換配件后一般無須重新標定儀表系數;
8、可現場顯示,也可遠距離傳輸,還可與計算機控制系統聯網;
9、檢測探頭不直接接觸被測介質,性能更穩定。
10、壓力損失小,量程范圍大,精度高,在測量工況體積流量時幾乎不受流體密度、壓力、溫度、粘度等參數的影響;
11、無可動機械零件,因此可靠性高,維護量小;
12、采用壓電應力式傳感器,儀表參數能長期穩定,可在-20℃~+250℃的工作溫度范圍內工作;
13、有模擬標準信號,也有數字脈沖信號輸出,容易與計算機等數字系統配套使用,是一種比較先進、理想的流量儀表。
蒸汽智能流量計分類




蒸汽智能流量計的配線設計
一. 輸出頻率信號的三線制配線設計
輸出頻率信號的三線制流量傳感器采用DC24V或DC12V電源供電,一般通過三芯屏蔽電纜線(RWP3×0.5mm)與顯示儀表或計算機相連,屏蔽層應可靠地接到放大器殼的接地螺絲上。屏蔽電纜線的選擇應適合現場環境要求,另外屏蔽電纜線要與其它強功率電力線分離,不能平行走線。傳感器端子接線見圖

二.輸出標準4~20mA電流信號的兩線制配線設計
輸出標準4~20mA電流信號的兩線制變送器采用DC24V電源供電,一般通過兩芯屏蔽電纜線(RWP3×0.5mm)與顯示儀表或計算機相連,屏蔽層應可靠地接到放大器殼的接地螺絲上。屏蔽電纜線的選擇應適合現場環境要求,另外屏蔽電纜線要與其它強功率電力線分離,不能平行走線。變送器端子接線見圖

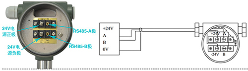
三.帶RS-485通訊接口功能的配線設計
帶RS-485通訊功能的渦街流量計采用DC24V電源供電,與其它設備之間采用四線制傳輸方式。儀表端子接線見圖
渦街流量計是根據卡門渦街原理研究生產的,主要用于工業管道介質流體的流量測量,如氣體、液體、蒸汽等多種介質。其特點是壓力損失小,量程范圍大,精度高,在測量工況體積流量時幾乎不受流體密度、壓力、溫度、粘度等參數的影響。無可動機械零件,因此可靠性高,維護量小。儀表參數能長期穩定。渦街流量計采用壓電應力式傳感器,可靠性高,可在-20℃~+250℃的工作溫度范圍內工作。有模擬標準信號,也有數字脈沖信號輸出,容易與計算機等數字系統配套使用,是一種比較先進、理想的測量儀器。

蒸汽智能流量計參數
1、產品名稱:渦街流量計
2、適用介質:空氣,氧氣,氮氣,氫氣,壓縮氣體的流量計量
3、管徑(DN) :DN15~DN300mm至更大
4、公稱壓力:0.6~4MPa (指連接法蘭公稱壓力,非介質的工作壓力)
5、工況溫度:-20~+80℃(需更高溫度請與工廠聯系)
6、測量精度:±1.5%FS
7、量程范圍:1:3(±0.2%) ,1:10(±0.5%), 1:15(±1.5%)
8、殼體材質:碳鋼;不銹鋼;
9、供電方式:內置3.6VDC鋰電池(可用兩年);外供24VDC;
10、輸出信號:4~20mA二線制;脈沖0~1000HZ;RS485
11、防護等級:IP65;IP67
12、防爆標志:本安型ExiallCT4;隔爆型ExdllCT4
13、表頭顯示:累積流量;瞬時流量;滿量程百分比;工況壓力;工況溫度;故障自檢
14、連接方式:管道法蘭式(DN15-300mm);插入式(DN100- N6000mm至更大)。
15、安裝要求:可水平、垂直安裝;前后直管道應滿足前10D后5D(D公稱通徑)
16、特殊連接:螺紋式;對夾式;

蒸汽智能流量計產品型譜
| 型 譜 | 說 明 | ||||
| KMLUGB | 渦街流量儀表 | ||||
| 檢測 | B | 壓電式傳感器 | |||
| 方式 | E | 電容式傳感器 | |||
| 通徑 | DN | 15~1000 | 單位:mm | ||
| 連接方式 | 1 | 僅對滿管型 | 法蘭連接型 | ||
| 2 | 僅對滿管型 | 法蘭卡裝型 | |||
| 3 | 僅對插入型 | 簡易插入型 | |||
| 4 | 僅對插入型 | 球閥插入型 | |||
| 測量介質 | 2 | 液體 | |||
| 3 | 氣體 | ||||
| 4 | 蒸汽 | ||||
| 使用環境 | P | 普通型 | |||
| B | 防爆型 | ||||
| 輸出信號 | 1 | 脈沖輸出 | |||
| 2 |
24V,4~20mA電流輸出 液晶顯示 |
||||
| 3 | RS-485通訊 | ||||
| 4 | 電池供電,不帶補償 | ||||
| 5 |
溫壓補償一體, 24V,4~20mA電流輸出型 |
||||
| 6 | 溫壓補償一體,電池供電型 | ||||
| 選型 | 例如: HPLUGB-DN5024P6 滿管型壓電式渦街流量儀表,通徑DN50,法蘭卡裝 | ||||
| 說明 | 型連接,介質為蒸汽,溫壓補償一體,24V,4~20mA電流信號輸出,液晶顯示 | ||||
蒸汽智能流量計安裝條件
1、工作條件
傳感器可在2下正常連續工作
2、環境條件
2.1環境溫度:-40~+55℃ (非防爆場所)
2.2環境濕度:≤85%(相對濕度)
2.3大氣壓力:86~106Kpa
3、安裝指南:
a)傳感器安裝在管道上的位置一定要選振動小的地方,振動加速度不能大于0.2g,如大于需要采取減震措施。
b)傳感器的上游側和下游側必須有足夠的直管段見示意圖。
c)對于卡裝連接儀表,法蘭焊后必須保證法蘭的端面與管道垂直,內表面光滑,見圖。
d)傳感器可水平、垂直或傾斜安裝在直管上,當垂直安裝測液體時,液體必須由下而上流動。
e)當在渦街流量傳感器同壓力傳感器和溫度傳感器組成測量系統時,其壓力、溫度測量點的位置如圖。
f)渦街流量傳感器安裝步驟可參考方法A或方法B(以法蘭卡裝型為例):
方法A:
Ⅰ選定安裝位置,并取前15DN,后5DN直管段割下。
Ⅱ在選表位置焊上兩片法蘭,并將傳感器裝好。
Ⅲ去掉原管多出的直管(即表體寬度)。
Ⅳ將傳感器的前后直管段焊到原工藝管道上。
方法B:
Ⅰ考慮前15DN,后5DN選定裝表位置。
Ⅱ取下表體寬度的一段管,焊上兩片法蘭連接孔同心,將傳感器螺栓緊固好。

蒸汽智能流量計的產品特點
1、安裝簡便,維護十分方便;
2、結構簡單牢固,無可動部件,長期運行十分可靠;
3、量程范圍寬,量程比可達1:15;
4、壓力損失小,運行費用低,更具節能意義;
5、應用范圍廣,液體、氣體、蒸汽均可測量;
6、檢定周期長,一般為兩年;
7、在一定雷諾數范圍內,輸出信號不受被測介質物理性質和組分變化的影響,儀表系數僅與旋渦發生體的形狀和尺寸有關,調換配件后一般無須重新標定儀表系數;
8、可現場顯示,也可遠距離傳輸,還可與計算機控制系統聯網;
9、檢測探頭不直接接觸被測介質,性能更穩定。
10、壓力損失小,量程范圍大,精度高,在測量工況體積流量時幾乎不受流體密度、壓力、溫度、粘度等參數的影響;
11、無可動機械零件,因此可靠性高,維護量小;
12、采用壓電應力式傳感器,儀表參數能長期穩定,可在-20℃~+250℃的工作溫度范圍內工作;
13、有模擬標準信號,也有數字脈沖信號輸出,容易與計算機等數字系統配套使用,是一種比較先進、理想的流量儀表。
蒸汽智能流量計分類




蒸汽智能流量計的配線設計
一. 輸出頻率信號的三線制配線設計
輸出頻率信號的三線制流量傳感器采用DC24V或DC12V電源供電,一般通過三芯屏蔽電纜線(RWP3×0.5mm)與顯示儀表或計算機相連,屏蔽層應可靠地接到放大器殼的接地螺絲上。屏蔽電纜線的選擇應適合現場環境要求,另外屏蔽電纜線要與其它強功率電力線分離,不能平行走線。傳感器端子接線見圖

二.輸出標準4~20mA電流信號的兩線制配線設計
輸出標準4~20mA電流信號的兩線制變送器采用DC24V電源供電,一般通過兩芯屏蔽電纜線(RWP3×0.5mm)與顯示儀表或計算機相連,屏蔽層應可靠地接到放大器殼的接地螺絲上。屏蔽電纜線的選擇應適合現場環境要求,另外屏蔽電纜線要與其它強功率電力線分離,不能平行走線。變送器端子接線見圖

三.帶RS-485通訊接口功能的配線設計
帶RS-485通訊功能的渦街流量計采用DC24V電源供電,與其它設備之間采用四線制傳輸方式。儀表端子接線見圖
上一篇:蒸汽預付費流量計,蒸汽流量計量表


