鹽酸流量計的接地要求
點擊次數:2886 發布時間:2021-11-03 09:06:35
鹽酸流量計的接地是非常重要的,若接地不好,無法正常運行,傳感器部分應有良好的單獨接地線(銅芯截面積為 1.6mm2),接地電阻<10Ω 。
1.接地環
若與傳感器連接的管道是絕緣性的,則需用接地環,應選擇其材質和電極的材質一樣,若被測介質是磨損性的,應選擇帶頸接地環。

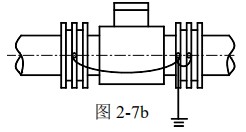
2.接地方式
鹽酸流量計在金屬管道上的安裝,金屬管道內壁沒有絕緣涂層。

鹽酸流量計在塑料或內壁有絕緣涂料、油漆、內補等管道上安裝時,應在傳感器的兩端安裝接地環。

鹽酸流量計在陰極保護管道上安裝,防護電解腐蝕的管道一般在其壁和外壁是絕緣的,安裝時注意接地環和管道上的法蘭應絕緣。

上一篇:甲醇流量計量表的安裝方法
下一篇:鹽酸電磁流量計電極材質的選擇
相關文章
鹽酸管道計量表選型注意事項
鹽酸流量表怎么使用方法
鹽酸轉子流量計安裝要求
鹽酸流量計的工作原理
鹽酸浮子流量計結垢的原因與清洗
鹽酸流量計如何接線
鹽酸電磁流量計電極材質的選擇
鹽酸流量計的接地要求
鹽酸流量計型號規格
鹽酸流量計材質選擇
鹽酸流量計選型參數
鹽酸流量計有氣泡的原因及整改辦法
鹽酸用什么電極的電磁流量計
鹽酸流量計正確安裝流程
鹽酸計量表,鹽酸管道流量計
鹽酸管道流量計,鹽酸電磁流量計價格
鹽酸電磁流量計,鹽酸管道流量計
鹽酸用什么流量計,鹽酸電磁流量計
鹽酸計量表,測量濃鹽酸用什么流量計
鹽酸流量表,智能濃鹽酸流量計
鹽酸電磁流量計,鹽酸水流量計
分體式鹽酸流量計,鹽酸流量計價格
35%鹽酸流量計,鹽酸電磁流量計廠家
鹽酸流量計廠家,鹽酸電磁流量計價格
稀鹽酸流量計,一體式鹽酸流量計
鹽酸流量儀,鹽酸電磁流量計廠家
鹽酸流量表,金屬管子鹽酸流量計
鹽酸計量表,工業鹽酸流量計
稀鹽酸流量計
鹽酸電磁流量計