
燃氣渦輪流量計
- 品*:JKM/凱銘儀表
- 型號:JKM-LWGQ
- 測量范圍:2-6000m3/h
- 精度等級:1.0級、1.5級
- 公稱通徑:DN20-DN300
- 適用介質:天然氣、液化氣
- 工作壓力:1.6MPa
- 工作溫度:-20℃~+80℃
- 供電方式:24VDC 3.6V鋰電池
- 訂貨號:AAYRJFGTO963
燃氣渦輪流量計產品特點、用途和適用范圍
很高興您購買本款智能氣體渦輪流量計,該流量計是我公司新研發的新型氣體渦輪流量計,借鑒航空技術的先進理念綜合了流體力學、電磁學等理論而自行研制開發的集溫度、壓力、流量傳感器和智能流量積算儀于一體的新一代高精度、高可靠性的氣體精密計量儀表,具有出色的低壓和高壓計量性能,多種信號輸出方式以及對流體擾動的低敏感性。
結合現代化的加工設備,應用完善有效的工藝手段。生產的流量計結構合理,耐用性好,重復性好,安裝方便簡潔。我公司為廣大用戶提供高可靠性的產品,研發階段在軸承生產商的配合下,進行了為期八個月的每天24小時連續的耐久性實驗,摸透了軸承和結構的可靠性,表芯采用一體化設計。為您提供**的產品,**的可靠性保證。減少您的售后負擔。

1.1 產品特點
1.優質鋁合金渦輪,具有更高的穩流和耐腐蝕作用;
2.專用儀表軸承,摩擦阻力小,密封性好,使用壽命長;
3.計量室與通氣室隔絕,保證了儀表的安全性;
4.智能型流量計集微處理器、溫度、壓力傳感器于一體,直接測量被測氣體的流量、溫度和壓力,并自動進行流量跟蹤補償和壓縮因子修正運算,顯示標準狀態下(Pb=101.325KPa,Tb=293.15K)的氣體體積累積量,可實時查詢溫度壓力數值;
5..流量范圍寬(Qmax/Qmin≥20:1),重復性好,精度高(可達1.0級),壓力損失小,始動流量低,可達0.6m3/h;
6.儀表具有脈沖信號、模擬信號輸出,以及RS485通訊接口,采用專用MODEM,可通過電話網絡直接與客戶的遠程集抄系統相連,實現計算機數據的集中采集和實時管理;
7.智能化儀表系數多點非線性修正;
8.內置式壓力、溫度傳感器,安全性能高、結構緊湊、外形美觀;
9.專用液晶顯示屏,讀數直觀方便。智能型流量計可同時顯示標況累積流量、標況瞬時流量以及介質的溫度、壓力等參數;
10.系統低功耗工作,可采用鋰電池供電,也可外接電源;
11.具有實時數據存儲功能,可防止更換電池或突然掉電時數據丟失,在停電狀態下,內部數據可永久性保存;
12.可與IC卡預付費系統配套使用,便于貿易結算。
1.2 主要用途
氣體渦輪流量計廣泛用于石油、化工、冶金、航空、科研等部門及工業領域中多種氣體,如天然氣、城市燃氣、丙烷、丁烷、空氣、氮氣等氣體的測量。儀表準確度高、重復性好,適用于貿易計量及工業過程檢測。智能型流量計集溫度、壓力于一體,在線跟蹤檢測介質溫度和壓力并進行自動補償、壓縮因子修正運算,具有優良的低壓和高壓計量性能,適用于天然氣等氣體的精確計量。
燃氣渦輪流量計結構與工作原理
2.1 流量計結構
氣體渦輪流量計結構緊湊,主要由殼體、葉輪、傳感器(溫度、壓力、流量)、整流器和積算儀構成。

1.殼體:本身帶有法蘭,并有一定形狀的流體通道,根據不同的工作壓力,殼體材料可采用鑄鋁合金、碳鋼或不銹鋼。
2.整流器:強迫流體加速,消除任何可能存在的氣流擾動,即使在非理想的安裝環境下,也能夠保證高精度。
3.葉輪:用鋁合金制成,具有一定角度的螺旋葉片,它固定在殼體中間部位,克服摩擦力矩和流體阻力矩旋轉。
4.智能流量積算儀:溫度、壓力檢測模擬通道、流量檢測數字通道以及微處理單元、液晶驅動電路和其它輔助電路組成,并配有外輸信號接口。
5.壓力傳感器:以壓阻式擴散硅橋路為敏感元件,其橋臂電阻在外界壓力作用下會發生預期變化,因此在一定激勵電流作用下,其兩個輸出端的電位差與外界壓力成正比。
6.流量傳感器:安裝在靠近葉輪后端,可檢測出從同軸轉動的信號輪上發出的頻率信號。
7.溫度傳感器:以Pt100/pt1000鉑電阻為溫度敏感元件,在一定溫度范圍內,其電阻值與溫度成對應關系。
2.2 工作原理
當流體流入流量計時,在進氣口專用一體化整流器的作用下得到整流并加速,由于渦輪葉片與流體流向成一定角度,此時渦輪產生轉動力矩,在克服摩擦力矩和流體阻力矩后,渦輪開始旋轉。在一定的流量范圍內,渦輪旋轉的角速度與流體體積流量成正比。根據電磁感應原理,利用韋根傳感器從同軸轉動的信號輪上感應出與流體體積流量成正比的脈沖信號,該信號經放大、濾波、整形后與溫度、壓力傳感器信號一起進入智能流量積算儀的微處理單元進行運算處理,并把氣體的體積流量和總量直接顯示于 LCD屏上。
燃氣渦輪流量計技術性能及選型指南
1、執行標準
產品執行 GB/T 18940-2003《封閉管道中氣體流量的測量渦輪流量計》
2、精確度等級
在規定的流量范圍內和工作條件下流量計的精確度等級為 1.0級和 1.5級
3、流量計參數

4、標準狀態條件
P=101.325KPa,T=293.15K
5、使用環境條件
環境溫度:-30℃~+65℃
相對濕度:5%~95%
介質溫度:-20℃~+80℃
大氣壓力:86KPa~106KPa
6、工作電源及信號輸出
6.1工作電源
A.外電源:+24VDC±15%,紋波<5%,適用于 4~20mA輸出、脈沖輸出、報警輸出、RS-485等;
B.內電源:1組 3.6V鋰電池(ER26500),當電壓低于 3.0V時,出現欠壓指示。
6.2整機功耗
A.外電源:<2W;
B.內電源:平均功耗 1mW,可連續使用兩年以上。
6.3脈沖輸出方式
工況脈沖信號,直接將流量傳感器檢測的工況脈沖信號經光耦隔離放大輸出,高電平≥20V,低電平≤1V;
定標脈沖信號,與 IC卡閥門控制器配套,高電平幅度≥2.8V,低電平幅度≤0.2V,單位脈沖代表體積量可設定范圍:0.001m3~100m3。單選擇該值時必須注意:定標脈沖信號頻率應≤1000Hz。
定標脈沖信號,經光耦隔離放大輸出,高電平≥20V,低電平≤1V。
6.4 RS-485通信(光電隔離),可實現以下功能:
A.采用 RS-485接口,可直接與上位機或二次表聯網,遠傳顯示介質的溫度、壓力和經溫度、壓力補償后的標準體積流量和標準體積總量;
B.由 RS-485接口與 HW-Ⅰ數據采集器配套,可組成電話網絡通信系統,一臺數據采集器可帶 15臺流量計;
C.由 RS-485接口與 HW-Ⅱ數據采集器配套,可組成寬帶網絡通信系統,由 INTERNET傳輸數據,一臺數據采集器可帶 8臺流量計。
6.5 4~20mA標準電流信號(光電隔離)
與標準體積流量成正比,4mA對應 0 m3/h, 20 mA對應*大標準體積流量(該值可在一級菜單中進行設置),制式:兩線制或三線制,流量計可根據所插電流模塊自動識別,并正確輸出。
6.6控制信號輸出
A.下限報警信號(LP):光電隔離,高低電平報警,報警電平可設定,工作電壓+12V~+24V,*大負載電流50mA;
B.上限報警信號(UP):光電隔離,高低電平報警,報警電平可設定,工作電壓+12V~+24V,*大負載電流50mA;
C.關閥報警輸出(BC端,IC卡控制器用):邏輯門電路輸出,正常輸出低電平,幅度≤0.2V;報警輸出高電平,幅度≥2.8V,負載電阻≥100kΩ;
D.電池欠壓報警輸出(BL端,IC卡控制器用):邏輯門電路輸出,正常輸出低電平,幅度≤0.2V;報警輸出高電平,幅度≥2.8V,負載電阻≥100kΩ;
7、現場顯示功能
A.積算儀顯示面板上實時顯示工況(或標況)下的溫度、壓力、瞬時流量、累計流量;
B.報警功能:流量上下限、溫度上下限、壓力上下限報警,報警方式:字符閃爍。
8、防爆型式與等級
隔爆型:其防爆標志為 ExdIIBT4、ExdIICT4-T6(不含乙炔);
本安型:其防爆標志為 ExiaIICT4
9、防護等級:IP65
10、電器接口:內螺紋 M20*1.5
11、選型指南
11.1用戶在選型時,應根據管道公稱壓力、介質*高壓力、介質溫度、介質組分情況、流量范圍及信號輸出要求合理選擇流量計的型號規格。
11.2為使流量計的使用性能*佳,流量計的使用流量范圍應在(20%~80%)Qmax范圍內比較合適。
11.3流量計出廠時的信號輸出方式:工況脈沖信號輸出(三線制)、標準流量信號(IC卡)輸出或 RS-485通訊輸出。若要求有其它輸出功能,請在訂貨時說明。
燃氣渦輪流量計儀表外形尺寸及安裝
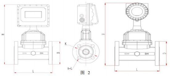
4.1 流量計外形尺寸及安裝
流量計的外形尺寸見圖2,圖中未注尺寸列于表2中,流量計采用法蘭連接方式。法蘭尺寸執行GB/T9112~9113-2000標準。


注:圖 1所示為溫壓補償型儀表外型。
所有型號儀表傳感器部分以及整機高度尺寸一致,該尺寸僅供參考,具體參考實物,技術升級導致尺寸變更暫不另行通知。
4.2 流量計安裝
1.對于新安裝或檢修后的管道務必進行吹掃,去除管道中的雜物后方能安裝流量計。在進行所有流體靜壓實驗和清掃管路操作期間,應拆下儀表,以免測量部件的嚴重損壞。
2.安裝前,用微小氣流吹動渦輪時,渦輪能轉動靈活,并沒有無規則的噪音,計數器轉動正常,無間斷卡滯現象,則流量計可安裝使用。
3.流量計安裝時法蘭和管道法蘭中間要加密封墊圈。
4.流量計上游處(≧2DN)必須安裝相應規格的過濾器,氣質較臟的場合應加裝油過濾器,用戶訂貨前,可同時向我公司訂貨,嚴禁過濾器和流量計直接相連。
5.流量計在安裝時前后均應加截至閥門。
6.法蘭盤連接處管道內經處不應該有突起相連接。
7.流量計安裝時,嚴禁在其進出口法蘭處直接進行電焊,以免燒壞流量計內部零件。
8.流量計應安裝在便于維修、無強電磁場干擾、無機械振動以及熱輻射影響的場所;
9.流量計不宜用在流量頻繁中斷和有強烈脈動流或壓力脈動的場合;
10流量計室外安裝時,上部應有遮蓋物,以防雨水浸入和烈日曝曬影響流量計使用壽命;
11.流量計可水平或垂直安裝,流體流動方向應與殼體上標識的方向一致,在流量計的上、下游應保證有 2DN和 1DN的直管段長度。
12.為了不影響流體正常輸送,建議按圖 3安裝旁通管道,在正常使用時必須關閉旁通管道閥門。

13.在管道施工時,應考慮安裝伸縮管或波紋管,以免對流量計造成嚴重的拉伸或斷裂;
14.應確保管道與流量計入口和出口的連接同軸,并防止墊圈和焊縫突入管道內,否則會擾亂流動剖面;
15.采用外電源時,流量計必須有可靠接地,但不得與強電系統共用地線;在管道安裝或檢修時,不得把電焊系統的地線與流量計搭接;
16.管道安裝完畢進行密封性試壓時,應注意流量計壓力傳感器所能承受的*高壓力(即檢定**上介質*大壓力),以免損壞壓力傳感器。
17.流量計投入運行時,應緩慢開啟閥門(開啟時間不少于 15s),逐步增加流速,以免瞬間氣流沖擊而損壞渦輪。
4.2.2 防爆場所安裝要求
1.流量計應有可靠的接地,防爆接地不應與強電系統的保護接地共用。
2.現場測試電源時,不允許使用交流電源接地。
3.在任何情況下,用戶不得自行更改防爆電路、元器件和防爆型式。
4.必須先切斷外接電源再打開轉換器蓋子。
包裝、運輸及貯存
1、包裝
流量計應裝入牢固的木箱內(中、小口徑流量計有泡沫保護時可裝在紙箱內),不應在箱內自由竄動,搬運時應小心輕放。
2、運輸
流量計運輸貯存條件應符合 GB/T 9329-1999《儀器儀表運輸貯存基本環境條件及試驗方法》要求。
3、貯存
流量計的貯存應符合以下條件:
1.防雨防潮;
2.不受機械振動或沖擊;
3.溫度范圍:5℃~40℃;
4.相對濕度:不大于 90%;
5.環境不含腐蝕性氣體。
下一篇:LWQ氣體渦輪流量計,沼氣天然氣煤氣二氧化碳氣體計量表


