
分體式液體渦輪流量計
- 品*:JKM/凱銘儀表
- 型號:JKM-LWGY
- 測量范圍:0.04~800m3/h
- 精度等級:0.5級、1.0級
- 公稱通徑:DN4~DN200
- 適用介質:水 油 醇 純凈液體
- 工作壓力:1.6~6.3MPa
- 工作溫度:-20~+100℃
- 供電方式:24VDC 3.6V鋰電池
- 訂貨號:WEG548662FLC
分體式液體渦輪流量計產品概述
渦輪流量計是采用一體化液體渦輪流量計結構為防爆設計,可以顯示流量總量,瞬時流量和流量滿度百分比。電池采用長效鋰電池,單功能積算表電池使用壽命可達5年以上,多功能顯示表電池使用壽命也可達到12個月以上。渦輪流量計是一體化表頭可以顯示的流量單位眾多,有立方米,加侖,升,標準立方米,標準升等,可以設定固定壓力、溫度參數對氣體進行補償,對壓力和溫度參數變化不大的場合,可使用該儀表進行固定補償積算。
分體式液體渦輪流量計的工作原理
圖所示為渦輪流量計傳感器結構簡圖,由圖可見,當被測流體流過傳感器時,在流體作用下,葉輪受力旋轉,其轉速與管道平均流速成正比,葉輪的轉動周期地改變磁電轉換器的磁阻值。檢測線圈中的磁通隨之發生周期性變化,產生周期性的感應電勢,即電脈沖信號,經放大器放大后,送至顯示儀表顯示。
渦輪流量計的流量方程可分為兩種:實用流量方程和理論流量方程。
實用流量方程
q v =f/K 公式 1
q m =qvρ 公式 2
渦輪流量計式中qv,qm……分別為體積流量,m3/s,質量流量,kg/s;
f……流量計輸出信號的頻率,Hz;
渦輪流量計K……流量計的儀表系數,P/m3。
流量計的系數與流量(或管道雷諾數)的關系曲線如圖所示。由圖可見,儀表系數可分為二段,即線性段和非線性段。線性段約為其工作段的三分之二,其特性與傳感器結構尺寸及流體粘性有關。在非線性段,特性受軸承摩擦力,流體粘性阻力影響較大。當流量低于傳感器流量下限時,儀表系數隨著流量迅速變化。壓力損失與流量近似為平方關系。當流量超過流量上限時要注意防止空穴現象。結構相似的 TUF 特性曲線的形狀是相似的,它僅在系統誤差水平方面有所不同。
傳感器的儀表系數由流量校驗裝置校驗得出,它完全不問傳感器內部流體機理,把傳感器作為一個黑匣子,根據輸入(流量)和輸出(頻率脈沖信號)確定其轉換系數,它便于實際應用。但要注意,此轉換系數(儀表系數)是有條件的,其校驗條件是參考條件,如果使用時偏離此條件系數將發生變化,變化的情況視傳感器類型,管道安裝條件和流體物性參數的情況而定。
分體式液體渦輪流量計產品特點
1、無可動部件,長期穩定,結構簡單便于安裝和維護;
2、高精度,一般可達±1%R、±0.5%R,高精度型可達±0.2%R;
3、重復性好,短期重復性可達0.05%~0.2%
4、輸出脈沖頻率信號,適用總量計量及與計算機連接,無零點漂移,抗干擾能力強;
5、可獲得很高的頻率信號(3~4kHz),信號分辨力強;
6、范圍度款,中大口徑可達1:20,小口徑為1:10;
7、結構緊湊輕巧,安裝維護方便,流通能力大;
8、適用高壓測量,儀表表體上不必開孔,易制成高壓型儀表;
9、專用型傳感器類型多,可根據用戶特殊需要設計為各類專用型傳感器,例如低溫型、雙向型、井下型、混砂專用型等;
10、液體渦輪流量計可制成插入型,適用于大口徑測量,壓力損失小,價格低,可不斷流取出,安裝維護方便。
分體式液體渦輪流量計基本參數
1、公稱口徑:管道式:DN4~DN200
2、插入式:DN100~DN2000
3、精度等級:管道式:±0.5級,±1.0級
4、插入式:±1.5級、±2.5級
5、環境溫度:-20℃~50℃
6、介質溫度:測量液體:-20℃~120℃
7、測量氣體:-20℃~80℃
8、大氣壓力:86KPa~106KPa
9、公稱壓力:1.6 Mpa 、2.5Mpa 、6.4Mpa 、25Mpa
10、防爆等級:ExdIIBT4
11、連接方式:螺紋連接、法蘭夾裝、法蘭連接、插入式等
12、直管段要求:氣體:上游直管段應≥10DN,下游直管段應≥5DN;液體:上游直管段應≥20DN,下游直管段應≥5DN;插入式:上游直管段應≥20DS,下游直管段應≥7DS(DS為管道實測內徑)
13、顯示方式:(1)遠傳顯示: 脈沖輸出、電流輸出(配顯示儀表);(2)現場顯示:8位LCD顯示累積流量,單位(m3)4位LCD顯示瞬時流量,單位(m3/h)、電池電量、頻率、流速;(3)溫度壓力補償型:A、顯示標準瞬時流量及標準累計流量,B、顯示當前壓力、溫度、電池電壓
14、輸出功能:(1)脈沖輸出,p-p值由供電電源確定,(2)4~20mA兩線制電流輸出,(3)單位體積脈沖輸出及傳感器原始脈沖輸出,(4)帶有RS485通迅接口
15、供電電源:(1)DC5~24V,(2)標準型3V鋰電池安裝于儀表內部可連續使用八年以上,(3)溫壓補償型3V鋰電池安裝于儀表內部可連續使用四年以上
16、傳輸距離:傳感器至顯示儀距離可達500m
分體式液體渦輪流量計流量范圍
分體式液體渦輪流量計安裝尺寸

分體式液體渦輪流量計儀表分類
現場顯示型
本智能流量計是采用先進單片微機技術設計的新型流量計顯示儀表,與脈沖信號輸出的流量傳感器(如渦輪、旋渦)配套。可顯示瞬時流量和累計總量。累計流量:八位數字,小數點后面3位有效數字。瞬時流量:六位數字,可顯示出每升的變化。顯示精度:±1個顯示單位。信號輸出:脈沖輸出:1~3000Hz外供+12~+24VDC電源 電流輸出:4~20mA外供+24VDC電源(兩線制)內置2節3V鋰電池并聯供電。當電壓低于2.7V時出現欠壓指示,隔爆型。小信號切除功能。
B、脈沖輸出型
工作電壓:+12VDC或+24VDC兩種(客戶定貨前必須選定一種供電電源)。信號傳輸距離:小于250米。輸出信號:方波信號幅值:+12VDC供電幅值大約為10V+24VDC供電幅值大約為20V安裝:放大器和渦輪流量傳感器連接為M16×1.5螺紋,渦輪流量傳感器安裝完后,把放大器擰到渦輪流量傳感器上,用手擰到感覺放大器到底后再把鎖緊螺母帶緊。接線:脈沖輸出型放大器對外引線為三根,紅線、白線和屏蔽。紅線接正電源,白線為脈沖輸出和其它顯示儀或設備連接,屏蔽接地。
C、4~20mA輸出型
工作電壓:外供電+24VDC(兩線制)輸出信號:4~20mA或1-5V、4mA對應渦輪流量傳感器零流量,20mA對用渦輪流量傳感器*大流量,流量范圍見渦輪流量傳感器銘*。信號傳輸距離:小于250米。安裝:渦輪流量傳感器安裝完后,把放大器擰到渦輪流量傳感器接頭處(m16×1.5螺紋),用手擰到感覺放大器已經到底后把鎖緊螺母帶緊。接線:4~20mA輸出型放大器對外引線為紅線和白線。紅線為電源線,白線為信號線。
D、分體遠傳顯示型
工作電壓:外電源供電220VAC信號傳輸距離:小于250米顯示儀瞬時四位:累計總量九位顯示顯示儀尺寸:橫式:160mm×80mm豎式:80mm×160mm顯示儀帶4~20mA輸出并能與計算機連接
分體式液體渦輪流量計型譜
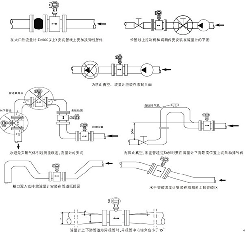
分體式液體渦輪流量計的安裝
渦輪流量計是一種*典型的速度式流量計,它是利用懸置于流體中帶葉片的轉子或葉輪感受流體的平均流速而推導出被測流體的瞬時流量和累計流量,從而實現流量測量的目的。渦輪流量計通產由渦輪流量傳感器和顯示儀表組成,其安裝方式需要注意以下幾點。
1、安裝時液體流動方向應與傳感器外殼上指示流向的箭頭方向一致,且上游直管段應≥20dn,下游直管段應≥5dn,其中dn為管道內徑。
2、渦輪流量計應遠離外界磁場,如不能避免,應采取必要的措施;
3、為了檢修時不至影響液體的正常輸送,應在傳感器兩端的直管段外安裝旁通管道;
4、渦輪流量計露天安裝時,請做好放大器插頭的防水處理;
5、渦輪流量計與顯示儀表的接線,應根據放大器的電源來選擇接線方式。
6、渦輪流量計可水平、垂直安裝,垂時流體方向必須向上。液體應充滿管道,不得有氣泡。安裝時,液體流動方向應與傳感器外殼上指示流向的箭頭方向一致。渦輪流量計上游端至少應有20倍公稱通徑長度的直管段,下游端應不少于5倍公稱通徑的直管段,其內壁應光滑清潔,無凹痕、積垢和起皮等缺陷。
7、若流體不穩定有脈動流,為保證渦輪流量計的良好測量可安裝緩沖器,以消除脈動流。渦輪流量計在使用時,應先緩慢旋開流量計上游管道上的控制閥門,然后用調節閥調節流量,以免突然開啟造成浮子急速上升擊損錐管。
渦輪流量計的測量精度高,量程比款,適用于流量變化幅度較大的現場測量。并且壓力損失小,且耐高壓,儀表的各元件可用各種抗腐蝕材料制成,是一款使用較寬泛的流量儀表。


