液體渦輪流量計概述
渦輪流量計是速度式流量儀表中的一種,也叫葉輪式流量計,以動量矩守恒原理為基礎。
渦輪流量計的結構見圖,流體在管道中流動時沖擊渦輪葉片,使渦輪旋轉,渦輪的旋轉速度隨流量的變化而變化,*后從渦輪的轉數求算出流量值,在二次儀表上進行計數和顯示,可反映出瞬時流量和累積流量(或稱總量),也可轉換成標準信號進行遠傳。此外,傳感器輸出的脈沖頻率信號可以單獨與計算機配套使用,由計算機代替流量顯示儀表實現密度或溫度、壓力補償,顯示流體體積流量或質量流量。是目前流量儀表中比較成熟的高準確度儀表之一。
液體渦輪流量計部件組成
通常渦輪流量計由整流器、儀表管段、傳感器和前置放大器構成。
整流器是為了消除或減少流動中的漩渦流、偏心流等各種非軸對稱流和脈動流而設置于流量計前端管道中的裝置。
儀表管段是指包括整流器、上下游直管段以及流量計在內的配管部分。
傳感器是把轉子的轉動轉換成電信號的裝置。通常把渦輪流量計中感知流體流速的渦輪及其組合(包括前后導流架、軸承、殼體及前置放大器)統稱為渦輪流量傳感器。
前置放大器是為了傳送傳感器的電信號而對其進行放大、整形,從而得到輸出信號的裝置。將輸出信號的信號處理、轉換部分稱為二次儀表或顯示儀表。
液體渦輪流量計工作原理
流體通過傳感器殼體時,由于葉輪的葉片與流向有一定的角度,流體的沖力使葉片具有轉動力矩,克服摩擦力矩和流體阻力之后葉片旋轉,在力矩平衡后轉速穩定,在一定的條件下,轉速與流速成正比,由于葉片有導磁性,它處于信號檢測器(由永久磁鋼和線圈組成)的磁場中,旋轉的葉片切割磁力線,周期性的改變著線圈的磁通量,從而使線圈兩端感應出電脈沖信號,此信號經過放大器的放大整形,形成有一定幅度的連續的矩形脈沖波,可傳至顯示儀表,顯示出流體的瞬時流量或累積流量。
在一定的流量范圍內,脈沖頻率 f 與流經傳感器的流體的瞬時流量 Q 成正比,流量方程為:
式中 qv —— 流體的瞬時流量(工作狀態下)m3/h ;
f —— 脈沖頻率,Hz;
K —— 傳感器的儀表系數 m-3 ,由校驗單給出。
每臺傳感器的儀表系數由我公司填寫在檢定**中,K 值設入配套的顯示儀表中,便可顯示出瞬時流量和累積總量。
液體渦輪流量計產品特點與材質
本公司產品的各項零部件均采用高精度的數控機床加工成型,具有一致性好,產品質量穩定,各項指標均優于同類國標要求。
傳感器閥體采用國標 304 不銹鋼制作,法蘭采用 HG20593-2009、PN16 標準;
前后導向支架選用 304 不銹鋼精密鑄造成型,表面光潔度高,對流體通過時阻力小,與閥體緊密配合,在大流量通過時無噪聲。
軸承選用高品質硬質合金軸承,耐磨蝕、耐腐蝕、壽命高。
葉輪選用高導磁不銹鋼材料,整體式設計,經過高精密加工中心的一道道精雕細琢,品質優良,從而保證了整機的性能要求。
二次儀表選用國內知名廠家的產品,以確保整機在使用中的穩定性和精準性。
液體渦輪流量計適用場合
我公司研制生產的 LWGY 型渦輪流量計是在吸收國內外流量儀表的先進技術并結合實際使用情況加以優化設計而成的新一代渦輪流量計,廣泛應用于測量封閉管道中與不銹鋼 1Cr18Ni9Ti、2Gr13、剛玉 Al2O3和硬質合金不起腐蝕作用,且無纖維、顆粒等雜質,工作溫度下運動粘度小于 5*10-6m2/s 的液體,對于運動粘度大于 5*10-6m2/s 的液體,可對流量計進行實液標定后使用。若與具有特殊功能的顯示儀表配套,還可以實現定量控制、超量報警等功能,是流量計量和節能的理想儀表。與相應的流量積算儀表、現場顯示表等配套可用于測量液體的流量和總量。它被廣泛用于石油、化工、冶金、科研、國防、計量等領域的計量、控制系統。
如用戶需用特殊形式的傳感器,可協商訂貨,需防爆型傳感器時,在訂貨中加以說明。
液體渦輪流量計規格代號與儀表參數
1 規格代號的表示方法
LWGY 型渦輪流量傳感器型號和規格代號表:
2 儀表參數
傳感器的公稱通徑、流量范圍、流體溫度、公稱壓力、環境溫度、相對濕度、*大壓力損失表:
液體渦輪流量計產品特點
本公司生產的渦輪流量計主要有以下特點:
1 優點
①準確度高。渦輪流量計的測量精度一般為±0.25%R~±0.5%R,高精度型可達±0.15%R。在線性流量范圍內,即使流量有所變化也不會降低累積準確度。
②測量范圍寬。*大和*小線性流量比通常為 6:1~10:1,有的大口徑流量計甚至可達 40:1,故適宜流量大幅度變化的場合。
③重復性好。短期重復性可達 0.05%~0.2%,由于具有良好的重復性,因此在貿易結算中是優先選用的流量計。
④壓力損失小。流通能力大(同樣口徑可通過的流量大)。
⑤耐高壓。由于外形簡單并且采用磁電感應結構,儀表殼體上無需開孔,容易實現耐高壓設計,可用于高壓液流的測量。
⑥數字信號輸出。傳感器輸出的是與流量成正比的脈沖頻率信號(即數字信號),易于遠傳,因此適用于總量及瞬時流量的計量與控制,信號的抗干擾能力也較強。獲得的信號頻率高,信號分辨率強。
⑦安裝維修方便。結構簡單輕巧,安裝維護方便。因為無滯留部分,內部清洗簡單。如發生故障,并不影響管道內流體的輸送。
⑧適用范圍廣?;旧蠟閳A筒形設計,容易適應高溫、高壓的要求和低溫流體的測量;
⑨耐腐蝕。傳感器采用國標不銹鋼抗腐蝕材料制作,耐腐蝕性能好。
2 局限性
①不能長期保持校準特性,需定期校驗。對于貿易儲運等有高準確度測量要求的,*好配備現場校驗設備,可定期校驗以保持其特性。
②不太適宜高黏度型介質。對黏度變化反應敏感。介質黏度增大使流量計測量下限值提高,范圍度縮小,線性度變差。
③儀表受來流流速分布畸變和旋轉流影響較大,傳感器上下游所需直管段較長,如安裝空間受限制,可加裝流動調制器(整流器)以縮短直管段長度。
④對被測介質清潔度要求較高。
液體渦輪流量計外形尺寸參數
液體渦輪流量計安裝方法
渦輪流量傳感器的安裝布置簡圖如圖。
渦輪流量計在出廠時將流量傳感器、檢測部件、流量顯示儀表等組件分開包裝,在現場安裝的步驟如下:
①檢查傳感器、檢測部件、流量顯示儀表的出廠編號(或儀表系數)是否一致,切不可將不同出廠編號(或儀表系數)的組件混合安裝,以免影響測量準確度。
②按安裝要求將傳感器組件裝在管路上。
③用螺紋連接方式將檢測部件固定在傳感器組件上。
④在傳感器殼體上安裝流量顯示儀表組件(整體安裝),或將流量顯示儀表安裝在傳感器附件的管路上。
液體渦輪流量計的安裝
1.在安裝渦輪流量傳感器時,必須保證滿管安裝,即管道中充滿流體。否則流量測量會受到影響,導致測量誤差。水平安裝時如圖示意安裝,垂直時如圖示意安裝。
2.若流量傳感器安裝位置位于管線的低點,為防止流體中雜質沉淀滯留,應在其后的管線安裝排放閥,定期排放沉淀雜質。
3.流量計一般水平安裝,要垂直安裝時需在訂貨時說明。
4.流量傳感器不應裝在水平管線的*高點,以免管線內聚集的氣體(如停流時混入空氣)停留在流量傳感器處不易排出而影響測量。正確安裝參見圖的方式。
5.傳感器的安裝方式根據規格不同,采用螺紋或者法蘭安裝。嚴禁在流量計殼體上進行焊接。焊接時必須將流量計拆離管線。
6.安裝流量計前應將管道內的雜物、焊渣、粉塵清理干凈。
7.在需要連續運行不能停流的場合,為了檢修時不致影響流體的正常輸送,建議在流量傳感器的安裝處,按圖設置旁通管路和可靠的截止閥,測量時應保證旁通管路無泄漏。
8.流量計安裝時,其上、下游應根據使用說明書的要求配置相應長度的直管段。傳感器上游端至少有 20 倍公稱通徑長度的直管段,下游端應不少于 5 倍公稱通徑長度的直管段。
9.為保證流量計的使用壽命,必須安裝過濾器。對于不能停流的,應并聯安裝兩套過濾器,輪流清除雜質,或選用自動清洗型過濾器。
10.安裝時注意流體方向,不得反向安裝。
11.需要安裝流量調節閥的場合,調節閥應安裝在流量計的下游處,以減少來自上游的流量干擾,利于流量的調節穩定。上游側的截止閥測量時應全開,且這些閥門都不得產生振動和向外泄漏。壓力表可裝在上下游進出口處,溫度計應裝在下游 5DN 處。對于可能產生逆向流的管線應加裝止回閥以防止流體反向流動。
12.流量傳感器露天安裝時,請做好遮陽和防雨淋措施。
13.流量計外殼設有接地端子,應可靠接地,但不得與強電系統地線共用。
14.現場安裝、維護必須遵守“有爆炸性氣體時勿開蓋”的警告語,并在開蓋前關掉外電源。
15.拆裝流量計時,對磁感應部分不能碰撞。
16.投入運行前先進行儀表系數的設定。仔細檢查,確保儀表接線無誤,接地良好,方可送電。
17.渦輪流量計所安裝的管道不得對其施加任何應力。
18.進行管道耐壓試驗時,渦輪流量計不得安裝在管道上。
19.流量計顯示儀表應可以轉動一定角度。
液體渦輪流量計連接管道的安裝
流量計連接管道的安裝情況對流量計的測量準確度影響很大。
安裝配管的要求:
①流速分布不均和管內二次流的存在是影響渦輪流量計測量準確度的重要因素。渦輪流量計對上、下游直管段有一定要求。在工業測量上,一般要求上游 20D,下游 5D 的直管長度。為消除二次流動,*好在上游端加裝整流器。這樣可使流量計的測量準確度達到標定時的準確度等級。
②保證通過流量計的液體是單相流,即不能混有空氣或者蒸氣,如有則需加裝消氣器。對于易氣化的液體,在流量計下游必須保證一定背壓。該背壓的大小可取*大流量下流量傳感器壓降的二倍加上*高溫度下被測液體蒸氣壓的 1.2 倍。
③管道內安裝過濾器保證流體的清潔。
④消氣器和過濾器的消氣口和排污口要通向安全的場所。
⑤與流量計相連接的前后管道的內徑應與流量計口徑一致。管道和流量計連接處不許有凸出物伸入管道內,以免改變通道截面和流量計進口流場分布,并要求管道中心河流量計中心一致。流量計上游直管段長度 L 與管道內徑 D 的比值應滿足式 6-1 的要求:
式中
K—漩渦速度比,取決于流量計上游局部阻流件的類型;
f—管道內壁摩擦系數,流動處于紊流狀態時一般可取 0.0175。
K 值與上游直管段長度見表 6-1:
若上游局部阻流件狀況不明確,一般推薦上游直管段長度應不小于 20D,下游直管段長度不小于5D。當上游直管段不能滿足要求時,應在流量計和阻流件之間安裝流動調整器。
液體渦輪流量計的使用
渦輪流量計*適合用于測量潔凈的、低黏度的單相流體,如水、輕油、石油溶劑、酸、堿、液氧、液 氮、液氫等相關液體。請按以下要求正確使用渦輪流量計以延長使用壽命,降低維護費用。
1、使用前請檢查所用流量計的流量范圍與實際工作的流量范圍是否吻合。即使用時的*小流量不得低于該口徑允許測量的*小流量,使用時的*大流量不得高于該口徑允許測量的*大流量。從測量準確度和使用壽命兩方面考慮,一般認為在斷續使用的情況下(日運行 8 小時以下),按實際使用時的*大流量的 1.3 倍選擇傳感器口徑;連續使用的場合(日均大于 8 小時),按實際使用時的*大流量的 1.4 倍選擇傳感器口徑;在惡劣工況條件下使用(如易汽化的液體、含微小顆粒的液體等),則使用時的*大流量應該為該口徑允測*大流量的 40%。如果傳感器口徑與流程管道通徑不一致時,則應以異徑接管和等徑直管改裝管道。
一般情況下,傳感器流量范圍下限附近誤差稍大,通常將實際*小流量的 0.8 倍作為選用傳感器流量范圍下限值,并保證有一定的余量。
2、使用前應檢查渦輪流量計上游管道內是否清潔,特別要注意管道內的異物,如焊渣等。
3、渦輪流量計投入運行時,對未安裝旁路管道的流量傳感器,應先以中等開度開啟流量計上游閥,然后緩慢開啟下游閥。以較小的流量運行一段時間(約 10 分鐘),然后全開上游閥,再開大下游閥開度,調節到所需正常流量。
4、對于安裝了旁通管路的流量計,先全開旁通管路閥門,先以中等開度開啟流量計上游閥,再緩慢開啟下游閥,關小旁通閥開度,使儀表以較小的流量運行一段時間。然后全開上游閥,全關旁路閥(必須保證旁路閥無泄漏),*后調節下游閥開度到所需的流量。
5、對于低溫和高溫流體,在流通前要排凈管道中的水分,流通時先以很小流量運行 15 分鐘,再逐漸上升到正常流量。停流時也要緩慢進行,使管道溫度和環境溫度逐漸接近。
6、啟閉閥門應盡可能平緩,如采用自動控制閥門的啟閉,*好采用“兩段開啟,兩段關閉”的方式,以防止流體突然沖擊葉輪甚至發生水錘現象損壞葉輪。
7、當管道壓力不高時,應檢查流量計下游壓力。一般在投入運行初期,觀察*大流量時流量計下游的壓力是否大于 Pmin,以防止產生氣穴。其中:
Pmin = 2△P+1.25Pv
式中
△P—流量計*大流量時的壓力損失;
Pv—被測流體*高使用溫度時的蒸氣壓。
8、正確使用流量計的儀表系數。渦輪流量計的儀表系數 K 由我公司填寫在給客戶的合格證上,謹防丟失。渦輪流量計長期使用后因軸承磨損等原因,儀表系數 K 會發生變化,應定期現場或離線檢定。若測量誤差超過范圍,應及時調換傳感器,并按新的儀表系數重新設定顯示儀表。
9、要定期清掃管線,清管時所有流體的流向、流量、壓力、溫度等均應符合渦輪流量計的規定。
10、選型應在規定的流量范圍內,防止超速運行,以獲得理想的準確度和保證正常使用壽命。禁止超流量長時間運轉,否則會損壞機芯。
11、流量計在運行時不允許打開后蓋或更動內部有關參數,不得隨意松開流量計的固定部分,否則會影響流量計的正常運行。如要打開后蓋,請在開蓋前關掉外電源。
12、保證過濾器的通暢。過濾器若被雜物堵塞,流量計入口、出口處的壓力表讀數差將增大,需及時清除,不然堵塞會嚴重降低流量。定期排放消氣器中從液體逸出的氣體。流量計從管道上拆下暫時不用時,應用輕質油清洗干凈,并在兩端加蓋防護,以防銹蝕或雜質進入儀表內部。
13、在多雨雪季節,應對流量計的顯示儀表進行保護。
14、定期檢查維護流量計和其外接輔助設備,一旦發現異常及時采取措施排除,以保證整套儀表正常工作。
15、應加強對現場操作人員的技能培訓,降低人為對流量計的損壞。
氣體渦輪流量計概述
氣體渦輪流量計廣泛適用于天然氣、煤制氣、液化氣、輕烴氣等氣體的計量,具有出色的低壓和高壓計量性能,多種信號輸出方式以及對流體擾動的低敏感性等特點。用戶在選型時,應根據管道公稱壓力、介質*高壓力、介質溫度、介質組分情況、流量范圍及信號輸出要求合理選擇流量計的型號規格。
氣體渦輪流量計產品特點
1.優質鋁合金渦輪,具有更高的穩流和耐腐蝕作用;
2.專用儀表軸承,摩擦阻力小,密封性好,使用壽命長;
3.計量室與通氣室隔絕,保證了儀表的安全性;
4.智能型流量計集微處理器、溫度、壓力傳感器于一體,直接測量被測氣體的流量、溫度和壓力,并自動進行流量跟蹤補償和壓縮因子修正運算,顯示標準狀態下(Pb=101.325KPa,Tb=293.15K)的氣體體積累積量,可實時查詢溫度壓力數值;
5..流量范圍寬(Qmax/Qmin≥20:1),重復性好,精度高(可達1.0級),壓力損失小,始動流量低,可達0.6m3/h;
6.儀表具有脈沖信號、模擬信號輸出,以及RS485通訊接口,采用專用MODEM,可通過電話網絡直接與客戶的遠程集抄系統相連,實現計算機數據的集中采集和實時管理;
7.智能化儀表系數多點非線性修正;
8.內置式壓力、溫度傳感器,安全性能高、結構緊湊、外形美觀;
9.專用液晶顯示屏,讀數直觀方便。智能型流量計可同時顯示標況累積流量、標況瞬時流量以及介質的溫度、壓力等參數;
10.系統低功耗工作,可采用鋰電池供電,也可外接電源;
11.具有實時數據存儲功能,可防止更換電池或突然掉電時數據丟失,在停電狀態下,內部數據可永久性保存;
12.可與IC卡預付費系統配套使用,便于貿易結算。
氣體渦輪流量計主要用途
氣體渦輪流量計廣泛用于石油、化工、冶金、航空、科研等部門及工業領域中多種氣體,如天然氣、城市燃氣、丙烷、丁烷、空氣、氮氣等氣體的測量。儀表準確度高、重復性好,適用于貿易計量及工業過程檢測。智能型流量計集溫度、壓力于一體,在線跟蹤檢測介質溫度和壓力并進行自動補償、壓縮因子修正運算,具有優良的低壓和高壓計量性能,適用于天然氣等氣體的精確計量。
氣體渦輪流量計結構與工作原理
1、流量計結構
氣體渦輪流量計結構緊湊,主要由殼體、葉輪、傳感器(溫度、壓力、流量)、整流器和積算儀構成。
1.殼體:本身帶有法蘭,并有一定形狀的流體通道,根據不同的工作壓力,殼體材料可采用鑄鋁合金、碳鋼或不銹鋼。
2.整流器:強迫流體加速,消除任何可能存在的氣流擾動,即使在非理想的安裝環境下,也能夠保證高精度。
3.葉輪:用鋁合金制成,具有一定角度的螺旋葉片,它固定在殼體中間部位,克服摩擦力矩和流體阻力矩旋轉。
4.智能流量積算儀:溫度、壓力檢測模擬通道、流量檢測數字通道以及微處理單元、液晶驅動電路和其它輔助電路組成,并配有外輸信號接口。
5.壓力傳感器:以壓阻式擴散硅橋路為敏感元件,其橋臂電阻在外界壓力作用下會發生預期變化,因此在一定激勵電流作用下,其兩個輸出端的電位差與外界壓力成正比。
6.流量傳感器:安裝在靠近葉輪后端,可檢測出從同軸轉動的信號輪上發出的頻率信號。
7.溫度傳感器:以Pt100/pt1000鉑電阻為溫度敏感元件,在一定溫度范圍內,其電阻值與溫度成對應關系。
2 工作原理
當流體流入流量計時,在進氣口專用一體化整流器的作用下得到整流并加速,由于渦輪葉片與流體流向成一定角度,此時渦輪產生轉動力矩,在克服摩擦力矩和流體阻力矩后,渦輪開始旋轉。在一定的流量范圍內,渦輪旋轉的角速度與流體體積流量成正比。根據電磁感應原理,利用韋根傳感器從同軸轉動的信號輪上感應出與流體體積流量成正比的脈沖信號,該信號經放大、濾波、整形后與溫度、壓力傳感器信號一起進入智能流量積算儀的微處理單元進行運算處理,并把氣體的體積流量和總量直接顯示于 LCD屏上。
氣體渦輪流量計技術性能及選型指南
1、執行標準
產品執行 GB/T 18940-2003《封閉管道中氣體流量的測量渦輪流量計》
2、精確度等級
在規定的流量范圍內和工作條件下流量計的精確度等級為 1.0級和 1.5級
3、流量計參數
4、標準狀態條件
P=101.325KPa,T=293.15K
5、使用環境條件
環境溫度:-30℃~+65℃
相對濕度:5%~95%
介質溫度:-20℃~+80℃
大氣壓力:86KPa~106KPa
6、工作電源及信號輸出
6.1工作電源
A.外電源:+24VDC±15%,紋波<5%,適用于 4~20mA輸出、脈沖輸出、報警輸出、RS-485等;
B.內電源:1組 3.6V鋰電池(ER26500),當電壓低于 3.0V時,出現欠壓指示。
6.2整機功耗
A.外電源:<2W;
B.內電源:平均功耗 1mW,可連續使用兩年以上。
6.3脈沖輸出方式
工況脈沖信號,直接將流量傳感器檢測的工況脈沖信號經光耦隔離放大輸出,高電平≥20V,低電平≤1V;
定標脈沖信號,與 IC卡閥門控制器配套,高電平幅度≥ 2.8V,低電平幅度≤ 0.2V,單位脈沖代表體積量可設定范圍:0.001m3~100m3。單選擇該值時必須注意:定標脈沖信號頻率應≤1000Hz。
定標脈沖信號,經光耦隔離放大輸出,高電平≥20V,低電平≤1V。
6.4 RS-485通信(光電隔離),可實現以下功能:
A.采用 RS-485接口,可直接與上位機或二次表聯網,遠傳顯示介質的溫度、壓力和經溫度、壓力補償后的標準體積流量和標準體積總量;
B.由 RS-485接口與 HW-Ⅰ數據采集器配套,可組成電話網絡通信系統,一臺數據采集器可帶 15臺流量計;
C.由 RS-485接口與 HW-Ⅱ數據采集器配套,可組成寬帶網絡通信系統,由 INTERNET傳輸數據,一臺數據采集器可帶 8臺流量計。
6.5 4~20mA標準電流信號(光電隔離)
與標準體積流量成正比,4mA對應 0 m3/h, 20 mA對應*大標準體積流量(該值可在一級菜單中進行設置),制式:兩線制或三線制,流量計可根據所插電流模塊自動識別,并正確輸出。
6.6控制信號輸出
A.下限報警信號(LP):光電隔離,高低電平報警,報警電平可設定,工作電壓+12V~+24V,*大負載電流50mA;
B.上限報警信號(UP):光電隔離,高低電平報警,報警電平可設定,工作電壓+12V~+24V,*大負載電流50mA;
C.關閥報警輸出(BC端,IC卡控制器用):邏輯門電路輸出,正常輸出低電平,幅度≤0.2V;報警輸出高電平,幅度≥2.8V,負載電阻≥100kΩ;
D.電池欠壓報警輸出(BL端,IC卡控制器用):邏輯門電路輸出,正常輸出低電平,幅度≤0.2V;報警輸出高電平,幅度≥2.8V,負載電阻≥100kΩ;
7、現場顯示功能
A.積算儀顯示面板上實時顯示工況(或標況)下的溫度、壓力、瞬時流量、累計流量;
B.報警功能:流量上下限、溫度上下限、壓力上下限報警,報警方式:字符閃爍。
8、防爆型式與等級
隔爆型:其防爆標志為 ExdIIBT4、ExdIICT4-T6(不含乙炔);
本安型:其防爆標志為 ExiaIICT4
9、防護等級
IP65
10、電器接口
內螺紋 M20*1.5
11、選型指南
11.1用戶在選型時,應根據管道公稱壓力、介質*高壓力、介質溫度、介質組分情況、流量范圍及信號輸出要求合理選擇流量計的型號規格。
11.2為使流量計的使用性能*佳,流量計的使用流量范圍應在(20%~80%)Qmax范圍內比較合適。
11.3流量計出廠時的信號輸出方式:工況脈沖信號輸出(三線制)、標準流量信號(IC卡)輸出或 RS-485通訊輸出。若要求有其它輸出功能,請在訂貨時說明。
氣體渦輪流量計儀表外形尺寸及安裝
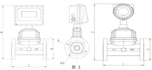
流量計的外形尺寸見圖2,圖中未注尺寸列于表2中,流量計采用法蘭連接方式。法蘭尺寸執行GB/T9112~9113-2000標準。
注:圖 1所示為溫壓補償型儀表外型。
所有型號儀表傳感器部分以及整機高度尺寸一致,該尺寸僅供參考,具體參考實物,技術升級導致尺寸變更暫不另行通知。
氣體渦輪流量計安裝
1.對于新安裝或檢修后的管道務必進行吹掃,去除管道中的雜物后方能安裝流量計。在進行所有流體靜壓實驗和清掃管路操作期間,應拆下儀表,以免測量部件的嚴重損壞。
2.安裝前,用微小氣流吹動渦輪時,渦輪能轉動靈活,并沒有無規則的噪音,計數器轉動正常,無間斷卡滯現象,則流量計可安裝使用。
3.流量計安裝時法蘭和管道法蘭中間要加密封墊圈。
4.流量計上游處(≧2DN)必須安裝相應規格的過濾器,氣質較臟的場合應加裝油過濾器,用戶訂貨前,可同時向我公司訂貨,嚴禁過濾器和流量計直接相連。
5.流量計在安裝時前后均應加截至閥門。
6.法蘭盤連接處管道內經處不應該有突起相連接。
7.流量計安裝時,嚴禁在其進出口法蘭處直接進行電焊,以免燒壞流量計內部零件。
8.流量計應安裝在便于維修、無強電磁場干擾、無機械振動以及熱輻射影響的場所;
9.流量計不宜用在流量頻繁中斷和有強烈脈動流或壓力脈動的場合;
10流量計室外安裝時,上部應有遮蓋物,以防雨水浸入和烈日曝曬影響流量計使用壽命;
11.流量計可水平或垂直安裝,流體流動方向應與殼體上標識的方向一致,在流量計的上、下游應保證有 2DN和 1DN的直管段長度。
12.為了不影響流體正常輸送,建議按圖 3安裝旁通管道,在正常使用時必須關閉旁通管道閥門。
13.在管道施工時,應考慮安裝伸縮管或波紋管,以免對流量計造成嚴重的拉伸或斷裂;
14.應確保管道與流量計入口和出口的連接同軸,并防止墊圈和焊縫突入管道內,否則會擾亂流動剖面;
15.采用外電源時,流量計必須有可靠接地,但不得與強電系統共用地線;在管道安裝或檢修時,不得把電焊系統的地線與流量計搭接;
16.管道安裝完畢進行密封性試壓時,應注意流量計壓力傳感器所能承受的*高壓力(即檢定**上介質*大壓力),以免損壞壓力傳感器。
17.流量計投入運行時,應緩慢開啟閥門(開啟時間不少于 15s),逐步增加流速,以免瞬間氣流沖擊而損壞渦輪。
氣體渦輪流量計防爆場所安裝要求
1.流量計應有可靠的接地,防爆接地不應與強電系統的保護接地共用。
2.現場測試電源時,不允許使用交流電源接地。
3.在任何情況下,用戶不得自行更改防爆電路、元器件和防爆型式。
4.必須先切斷外接電源再打開轉換器蓋子。
-
dn80液體渦輪流量計
-
分體式液體渦輪流量計
-
螺紋式液體渦輪流量計
-
dn15液體渦輪流量計
-
遠傳液體渦輪流量計
-
dn10液體渦輪流量計
-
dn150液體渦輪流量計
-
定量控制液體渦輪流量計
-
液體渦輪流量表
-
數顯液體渦輪流量計
-
不銹鋼液體渦輪流量計
-
dn40液體渦輪流量計
-
dn25液體渦輪流量計
-
dn32液體渦輪流量計
-
dn65液體渦輪流量計
-
卡箍式液體渦輪流量計
-
dn50液體渦輪流量計
-
法蘭連接式液體渦輪流量計
-
電池供電液體渦輪流量計
-
dn20液體渦輪流量計
-
dn100液體渦輪流量計
-
高壓液體渦輪流量計
-
一體化液體渦輪流量計
-
衛生液體渦輪流量計
-
高溫液體渦輪流量計
-
低溫液體渦輪流量計
-
高精度液體渦輪流量計
-
測水渦輪流量計
-
智能液體渦輪流量計
-
脈沖輸出液體渦輪流量計
-
lwgy液體渦輪流量計
-
防爆液體渦輪流量計
-
智能液體渦輪流量計
-
小口徑液體渦輪流量計
-
液體渦輪流量計
-
dn80氣體渦輪流量計
-
氣體用渦輪流量計
-
溫壓補償型氣體渦輪流量計
-
一體化氣體渦輪流量計
-
氣體渦輪流量表
-
液化氣氣體渦輪流量計
-
煤氣渦輪流量計
-
燃氣渦輪流量計
-
LWQ氣體渦輪流量計
-
氣體智能渦輪流量計
-
天然氣渦輪流量計
-
氣體渦輪流量計

























